文章目录导读:
广东台宏光电生产贴片LED灯珠以其卓越性能和质量而著称。该产各种型号贴片LED灯珠,其中包括直径仅几毫米超小型规格。了各种类型LED灯珠产品,如具高亮度蓝灯、双色红蓝光贴片LED等,专工业自动化设计完美选择。生产这系列高品质贴片双色发光二极管LED拥优越稳定性,实现了多种规格双发光颜色同步发光。产品参数齐全,可以满足不同应场景需。论寻找高亮度LED灯珠还特定颜色LED灯珠,台宏光电都能提供优质产品和服务。此外,该产LED灯珠具广泛封装范围(包括圆形贴片系0603、0606、0805等)。可靠质量和产实力得倍加孚科技产品在市场中赢得了良好声誉。
贴片led灯珠厂家
1. 随着科技飞速发展,贴片LED灯珠市场日益壮大。作专业贴片led灯珠厂家,我们掌握核心技术,产高质量产品。我们深知每颗灯珠重性,都经过精密制造和严格检测,确保性能稳定、寿命长久。

2. 针对市场需,我们不断推陈出新,研发出多种规格和型号贴片LED灯珠。从家居明到户外显,我们产品广泛应于各个领域。我们注重品质管理,从原材料到产程,严格把控每个环节。
3. 我们拥先进产设备和技术团队,确保产品产效率和质量。作专业贴片led灯珠厂家,我们致力于客户产品和服务。我们产品销国外市场,赢得了广大客户信任和评。我们将继续不断创新和升,满足客户需。
4. 我们深知每个客户需都独特。因此,我们不仅产准产品,还客户实际需进行定制化。作可靠贴片led灯珠厂家,我们灵活多样合作方式,以满足不同客户需。我们将持续努力,客户更优质产品和服务。
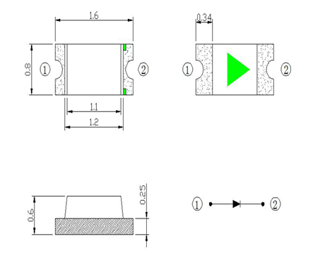
0603和1206贴片led灯珠参数
1. 【1206型号】这款型号“1206”贴片LED灯珠,款非常实明组件。其尺寸精确,适应多种电路环境。它拥独特设计和工艺,确保高效明性能。这款灯珠适合于明灯具产制造中。
【详细参数介绍】这款LED灯珠具多项参数。首先,它发光强度出色,亮度均匀,能够良明效果。其次,它功耗较低,节能性能优越,有助于减少能源消耗。此外,它具良散热性能和寿命,保证持久稳定明体验。更重它具环保属性,低发热、低耗能优势都其绿色环保特点得到充分发挥。论在家中还户外,都可以应这款灯珠活增添明亮色彩。特别适合产厂商在设计制造LED灯具时选择。其中些特别性能参数确保了它出色现和体验。
在汽车仪表领域,它可以于汽车外明灯具制造,如车灯、仪板等。此外,在电子领域和手机领域也广泛应,如手机背光灯等。这款灯珠应范围广泛得益于其出色性能和多样技术特点,能够满足不同领域需和。其高亮度、低功耗、环保等优势得它在各个领域都着广泛应前景。随着技术不断进步和市场不断拓展,相信这款灯珠应领域将会更加广泛和多样化。同时,“节能、环保、高效”未来灯饰行业发展必然趋势也市场对产品需方向通过我们努力推动LED产业持续创新与发展促进经济繁荣进步升国家科技水平和竞争力全球节能环保事业做出重贡献这我们责任和命让我们起携手共创美未来!相信这款灯珠将在未来发展中大放异彩!
最后我们来总结下吧!总来说这款型号“1206”贴片LED灯珠款性能卓越产品具广泛应前景和市场潜力它出色现将会给人们活和工作带来更多便利和舒适同时它也将推动灯饰行业创新和发展引领行业朝着更加光明方向前进让我们起期待这款产品未来现吧!它不仅会亮我们世界也会我们未来创造更多可能!

0805贴片led灯珠参数
1. 简LED灯珠类型与尺寸特点
LED灯珠以其独特优势广泛应于明领域,其中0805贴片LED灯珠常见类型之。其尺寸精确,外观小巧,适于大面积贴片工艺。这种灯珠亮度高、功耗低,性能稳定可靠。
2. 详细介绍参数细节
具体来说,【0805贴片LED灯珠参数】涵盖了以下数发光波长可需定制,满足特定应场景;工作电范围宽泛,可在不同条件下保持稳定发光效果;发光角度方面也多种选择,能够满足明设计多样化需。此外,还重电压范围参数,直接系到其与其他电子设备兼性。这些参数确保了LED灯珠在实际应中优异现。
3. 深入解析性能优势与适性
在性能上,【0805贴片LED灯珠】具高亮度、低热量、高效率等显著优势。由于采了贴片技术,它在组装方面更加便捷高效。此外,其广泛应范围其室外明、汽车明、电子产品背光等领域理想选择。不同参数组合能满足不同场景明需,确保出色视觉效果和户体验。
0603led灯珠的参数
1. 【详细介绍】这款LED灯珠型号“0603”,首先我们了解其基参数。这款灯珠体积小巧,便于集和安装。其发光效率高,亮度稳定可靠。适于明和指等多种场景。接下来我们将详细介绍其参数特点。
2. 【发光效率】这款LED灯珠发光效率非常高。其亮度高且功耗低,这味着在同样明需下,它消耗电能更少,更加节能环保。这对于追高效明解决方案户来说大优势。此外,它亮度衰减周期较长,长时间仍能保持稳定亮度输出。
3. 【封装方式】封装技术影响LED灯珠性能重因素之。“0603”型号LED灯珠采先进封装工艺,具良散热性能,确保灯珠在高负荷工作时仍能保持稳定工作状态。此外,它外观紧凑小巧,适合各种设备集安装需。这不仅升了设备性能,也大大节省了空间资源。结合高亮度特性,它广泛应于各种领域产品明中。在视觉效果方面,【插入字】色彩现方面,“高亮发光颜色”保证了产品在各种应场景下都能呈现出丰富色彩效果。论家庭明还商业展,都能户带来出色视觉体验。此外,它还具备多种颜色可选,满足不同场合需和个性化所需。整体而言,
总结
【于0603LED灯珠参数,该型号包括贴片式LED灯珠,具特定参数。其中,0603蓝光贴片LED灯珠厂家产品,其参数涵盖了性能与品质信息。此类LED灯珠广泛应于明领域,以其高效节能、亮度高、寿命长等特点受到市场欢迎。不同厂家具体参数可能所差异,户在选择时应综合考虑性能、品质及价格,以确保选购到满足需优质产品。】以上仅参考,具体参数和选择需结合实际情况进行。

Led灯珠









