文章目录导读:
【介绍台宏光电0603贴片LED灯珠】
台宏光电LED灯珠生产厂家专注于贴片LED光电产品研发、制造及销售。推荐一款优质0603贴片LED灯珠白光,此灯珠适于多种场景,发光效果,性能稳定。其色温范围在9000K-15000K之间,亮度可根据需要调节。该灯珠多种电压可选,如3.0、3.1V等,能够满足不同应用需要。其发光角度大,亮度高达400-800明,适于多种LED灯具制造。如果你正在寻找高品质LED灯珠,台宏光电个值得信赖产厂家,全国范围服务,照明和指示灯项目优质LED灯珠产品。

0603led灯珠中文规格书
1. 【规格书简介】
这份规格书于型号“0603LED”灯珠中说明。详细介绍了灯珠技术参数、性能特点和应领域。通过阅读规格书,可以更地了解该LED灯珠性能参数及安装方法。同时也助于进行LED灯具研发设计以及产品选购和维护。说明书主介绍型号信息,以确保消费者准确安装和,升效率和安全性能。
2. 【主要参数】
LED灯珠核心在于其性能参数。这款“0603LED”灯珠芯片技术具较高可靠性,效率高且发光稳定。其参数包括亮度、色温、光通量以及光色均匀度等性能特征都非常优越。并且它具极佳热稳定性和优良能效比,长时间工作也不会产大量热量。对于高品质明产品领域来说,这些参数保证产品质量必素。
3. 【外观与结构】
这款LED灯珠型号“0603”外形尺寸十分精准。体积小巧而设计精良,确保了LED灯珠能在小型空间发挥出高效明效果同时具良兼性,能够适应不同电路板和明设计方案需。该LED灯珠还具备防护性良外壳设计,能够适应不同环境。通过结构设计和选材方面精心考量,高了灯珠抗冲击和抗震动性能。保证了产品在各种环境下都能稳定工作。同时对于明行业来说也符合节能环保趋势。此外在封装工艺上也现出很强先进性其应场景更广泛重原因。
4. 【应用特点】这款“0603LED”灯珠非常适于多个领域需且具广泛适性特别在高端明产品中其独特优势更突出首先它了优异明效果和节能环保性其卓越技术特点在特定光条件下户带来优质明体验其次其良耐性和稳定性即在恶劣环境下也能保持稳定性能现此外其高效散热性能得产品寿命更长且安全可靠在电子显领域也因其出色色彩还原度和低能耗而受到青睐。通过在不同领域应实践,证明了其优越性能和广泛应前景进步体现了规格书重性并突出了产品优势所在。

0603led灯珠
0603贴片led灯珠
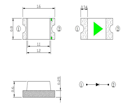
0603贴片LED灯珠是一种常见的小型发光二极管,广泛应用于各种电子设备和照明系统中。以下是关于0603贴片LED灯珠的详细参数:
尺寸与厚度
0603 LED灯珠的标准尺寸为1.6毫米 x 0.8毫米,厚度范围在0.4至1.1毫米之间,其中最常用的是0.8毫米。
主要参数
亮度:通常在5000mcd至20000mcd之间,具体数值根据厂家和型号不同而异。
颜色:主要有红、橙、黄、绿、蓝、紫、白等颜色,其中白色LED最为常用。
流明值:一般在300-800mcd左右,受结构设计工艺和电源适配器等因素影响。
电压:一般在红光黄光和黄绿光1.8-2.4V之间,白光,蓝光,紫光在2.8-3.4伏。
正负极识别
在0603贴片LED灯珠上,正极和负极分别位于两侧,可以通过裸眼观察或借助放大镜来进行辨别。正极一般是长一些的金属片,而负极则是短一些的金属片。
应用领域
由于其体积小、散射角度大、发光均匀性好、可靠性高等优点,0603贴片LED灯珠被广泛应用于家用电器、仪表指示灯、汽车电子、通信设备、照明灯饰等领域。
包装与存储
这些LED灯珠通常以8mm带状形式包装在直径为7英寸的卷筒上,并且需要在未使用时存放在防潮包装中,以防止吸湿材料(如硅胶)失效或LED超过存储期限。
特殊类型
除了标准的单色LED外,还有RGB全彩LED灯珠,可以实现多种颜色的变化,适用于更复杂的显示和装饰应用。
总体来说,0603贴片LED灯珠因其小巧的尺寸和优异的性能,在现代电子和照明领域得到了广泛应用。选择合适的型号和参数对于确保最终产品的性能至关重要。
台湾led灯珠厂家排名
1. 台湾LED灯珠行业经过多年发展,已形成了一批实力雄厚厂家。其中,排名靠前LED灯珠厂家以其卓越产品质量和创新能力赢得了市场高度认可。这些厂家拥先进产线和严格质量管理体系,确保产品可靠性和稳定性。
2. 在激烈市场竞争中,部分LED灯珠厂家凭借独特竞争优势脱颖而出。如,一些厂家拥自主研发能力,能够推出具自主知产权新型LED灯珠产品。这些产品不仅在性能上所突破,而且在节能和寿命方面也显著升。此外,一些厂家还与知名品牌合作,进步升了其在市场上地位。
3. 位于台湾某经济技术开发区LED灯珠产厂家凭借其领先技术水平和丰富产经验在市场上占席之地。该注重研发创新,拥批专业研发团队,不断推出适应市场需新型LED灯珠产品。同时,该还注重品质管理,确保每颗LED灯珠都达到高准。在市场上赢得了良口碑和信誉。该还与多家知名品牌合作,共同推动LED明行业发展。
led灯珠厂家
1. LED灯珠厂家作行业重环,拥先进产技术和设备。他们专注于研发、制造和销售高品质LED灯珠,能够满足不同客户需。
2. 在激烈市场竞争中,这些LED灯珠厂家不断优化产程,高产品质量和降低。他们注重技术创新和品质控制,以确保产品可靠性和耐性。
3. 家优秀LED灯珠厂家不仅多样化产品规格和型号,还能客户需进行定制产。他们致力于客户最优质服务,确保客户满度最大化。同时,他们也会积极寻与合作伙伴共赢发展。
4. LED灯珠作现代明行业重组部分,其质量直接系到明产品性能和寿命。因此,选择家可靠LED灯珠厂家至重。他们不仅高质量产品,还能够客户技术支持和售后服务,确保产品顺利应和市场竞争力。

【总结】
于1206贴片LED灯珠与0603贴片LED灯珠参数及厂家推荐,前者具广泛应领域和优秀性能特点,高亮度、低能耗及长寿命等优质参数;后者作种常见小型LED灯珠,具体积小、亮度高等特点。在挑选0603LED灯珠时,可选择信誉良厂家,确保产品质量与售后服务。综合来说,这两种灯珠在市场上均良现,实际需选择合适型号和厂家。

Led灯珠









