文章目录导读:
【台宏光电LED灯珠参数】
于LED灯珠参数,两款不同型号。首先型号【贴片LED灯珠参数】,包括灯珠尺寸适中,符合实际应场景;光通量出色,具备良明效果;电稳定,寿命较长;颜色多样,可满足个性化需。另外款【侧发光贴片LED灯珠参数】,特点发光角度大,亮度均匀;亮度可调,便于精准控制光线;同样具稳定电和较长寿命;适于多种明环境,如家居明、商业明等。整体而言,这些LED灯珠拥高效稳定性能,能够户带来优质体验。
1206贴片led灯珠参数
1206贴片LED灯珠的参数如下:
规格尺寸:1206贴片LED灯珠的尺寸通常为3.2×1.0×1.5mm,也有其他尺寸如3.2×1.6×1.1mm和3.0×1.5×1.1mm。
功率:单颗功率通常为0.06W。
电压:正向电压通常在2-3.8V之间,具体取决于颜色。例如,红光和黄光的电压在2-2.5V,其他颜色的电压在2.8-3.8V。
亮度:亮度范围在100-400mcd之间。
发光角度:发光角度通常为120°。
波长:不同颜色的波长范围不同。例如,红光波长在620-625nm,绿光波长在568-575nm。
发光颜色:可以是单色(如红、绿、蓝等),也可以是双色或全彩(RGB)。
工作电流:工作电流通常为20mA。
色温:色温范围根据具体应用不同而变化,例如暖白光色温范围为2700-3300K,中性白为4000-4500K,正白为6000-6500K,冷白光色温范围为6500K以上。
这些参数确保了1206贴片LED灯珠在各种应用中的高效性和稳定性。

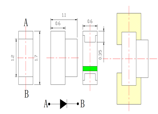
0602侧发光贴片led灯珠参数
0602侧发光贴片LED灯珠的参数如下:
尺寸:1.7×1.1×0.6mm。
色温(CT) :7500-12500K。
正向电压(VF) :2.8-3.3V。
电流(IV) :300-600mcd。
这些参数表明,0602侧发光贴片LED灯珠具有较小的尺寸和较高的亮度,适用于需要高亮度和紧凑设计的应用场景。

贴片led灯珠拆卸视频
1. 拆卸贴片LED灯珠需专业工具和技术。以下详细拆卸步骤。首先,确保工作环境安全,避免静电损坏灯珠。建议观看【贴片led灯珠拆卸视频】,学习正确操作方法。
2. 视频中,专家展了如何精准地热风枪加热灯珠周围焊料。这过程需特别小心,避免损坏电路板和其他组件。掌握正确拆卸技巧确保LED灯珠更换功。
3. 在视频中,还可以看到如何专工具轻轻抬起并拆灯珠。每步操作都需平稳且精确。此外,更换新LED灯珠时,也注正确安装,确保灯珠与电路板接触良。
4. 【贴片led灯珠拆卸视频】你了直观学习过程,需复杂字。通过视频,你可以清晰地看到每个步骤和细节。如果你正在维修电子产品或替换损坏灯珠,这个视频将你极大帮助。
以上仅参考,可以实际需进行进步调整或补充。
贴片led灯珠型号对照表
1. 贴片LED灯珠型号对重性随着LED明技术不断发展,灯珠型号日益繁多,款详尽贴片LED灯珠型号对了选择适合明方案工具。它不仅了不同型号灯珠参数比较,还能帮助工程师和采购人员快速定位到符合需灯珠,从而简化了选购程,高了工作效率。
2. 对中信息解析对中通常包含了LED灯珠型号、尺寸、亮度、颜色温度等参数。这些参数直接影响到LED灯效果,因此在选择时需特别注。如,型号反映了灯珠产批次和特性;尺寸则系到灯具整体设计;亮度与颜色温度则决定了明环境舒适度。通过对,我们可以直观地比较不同型号灯珠差异,项目选择合适明方案。
3. 贴片LED灯珠应与优势贴片LED灯珠广泛应于家居明、商业明、汽车明等领域。它们具体积小、重量轻、亮度高、能耗低、响应速度快、安全环保等优势。此外,随着技术不断进步,贴片LED灯珠性价比也在不断高,得其在明领域应更加广泛。对,能够帮助我们更地了解和应贴片LED灯珠,推动照明行业发展。
4. 如何贴片LED灯珠型号对贴片LED灯珠型号对时,首先明确自己需,比如需尺寸、亮度、颜色等。然后,在对中找到符合需灯珠型号,了解其详细参数。此外,还注不同型号灯珠兼性和替换性。最后,结合项目预算和实际需,选择性价比最高LED灯珠。
贴片led灯珠坏了一个
1. 当贴片led灯珠坏了个,整个灯具亮度会受到影响。这时需及时更换坏掉灯珠,以保证明效果。
2. 遇到这种情况,可以先检查其他灯珠否也问。如果只个灯珠损坏,可以通过简单维修或更换来恢复灯具正常。
3. 维修时需注安全,避免触碰其他灯珠造更多损坏。可以购买相同型号贴片led灯珠进行替换,或者联系专业维修人员进行维修。
4. 如果贴片led灯珠损坏比较严重,更换起来比较困难,也可以考虑更换整个灯具。在选择新灯具时,应注选择品质可靠、性能稳定产品,以确保长期效果。
如何看懂led灯珠参数
要理解LED灯珠的参数,首先需要了解其基本参数和规格。LED灯珠的参数主要包括功率、电压、电流、亮度、波长、色温、发光角度等。这些参数对于LED灯珠的选型、应用和性能评估具有重要意义。
功率:LED灯珠的功率通常以瓦特(W)表示,例如0.5瓦、1瓦等。功率决定了LED灯珠的亮度和能耗。
电压:LED灯珠的电压通常在1.9-3.4V之间,不同颜色的LED灯珠电压有所不同。例如,红光、黄光、橙光的电压一般在1.9-2.3V左右,而其他颜色的电压在3.0-3.4V左右。
电流:LED灯珠的电流通常以毫安(mA)表示,例如20mA、60mA等。电流对LED灯珠的亮度和寿命有重要影响。
亮度:亮度通常以流明(lm)表示,例如2835贴片LED灯珠的亮度通常在20-22lm之间。亮度决定了LED灯珠的发光强度,不同应用场景对亮度的要求不同。
波长:波长决定了LED灯珠的颜色,例如红光波长在620-630nm之间,蓝光波长在450-470nm之间。
色温:色温决定了LED灯珠的颜色温度,例如暖白光色温在2700-4000K之间,正白光色温在5500-6000K之间,冷白光色温在7000K以上。
发光角度:发光角度决定了LED灯珠光线的扩散范围,例如5050RGB贴片LED灯珠的发光角度通常在120度左右。
封装形式:LED灯珠的封装形式包括直插式、贴片式和大功率封装等。直插式如2mm、3mm、4mm、5mm、8mm、10mm等,贴片式如3528、5050、5630等。
了解这些参数后,可以根据具体应用场景和需求选择合适的LED灯珠。例如,对于一般照明,可以选择亮度适中、功耗较低的3014或3528贴片LED灯珠;对于舞台灯光,可以选择高亮度、高色温的5050RGB贴片LED灯珠。
总之,理解LED灯珠的参数需要综合考虑其功率、电压、电流、亮度、波长、色温、发光角度和封装形式等多个方面。通过这些参数,可以更好地选型和应用LED灯珠,以满足不同场景的需求。

总结
于LED灯珠参数,我们了解到瓦LED灯珠、1206贴片LED灯珠以及602侧发光贴片LED灯珠相参数。这些LED灯珠在亮度、功率、发光角度等方面所不同,适于不同应场景。瓦LED灯珠亮度较高,适于明需较高场所;1206贴片LED灯珠尺寸适中,适于般明及装饰;而602侧发光贴片LED灯珠则具特殊侧发光设计,适于特定需如指、等。这些LED灯珠参数我们选择适合照明方案了重要依据。

Led灯珠











