文章目录导读:
【贴片led灯珠规格型号一览】
详细出了多种型号1608led贴片灯珠规格,涵盖市面上广泛应用各类LED灯珠。格包括灯珠尺寸、发光颜色、亮度、电压、电流等参数,照明行业从业者了便捷查阅途径。这些LED灯珠以其高效节能、稳定耐等特点,广泛应于家居明、商业明及户外明等领域。
1608led贴片灯珠拥多种规格型号,满足不同需要。它们性能优越,品质可靠,发光均匀,寿命长,能够效升明系统效率和舒适度。在采购或LED灯珠时,可依实际需选择合适规格型号,以实现理想效果。
贴片led灯珠规格型号一览表
贴片LED灯珠的规格型号非常丰富,常见的有以下几种:
小功率贴片LED灯珠:
0402、0603、0805、1206等。
这些型号通常用于小型电子设备和指示灯中。
中功率贴片LED灯珠:
2835、3014、3030、5050、5630等。
中功率贴片LED灯珠适用于通用照明和装饰照明,具有较高的亮度和色彩饱和度。
大功率贴片LED灯珠:
如5730等。
大功率贴片LED灯珠常用于需要高亮度的应用场景,如舞台灯光和户外照明。
具体型号及其参数如下:
SMD 3528:尺寸为3.5mm×2.8mm,功率约为0.06瓦,广泛应用于室内装饰灯带和小型背光源中。
SMD 5050:尺寸为5.0mm×5.0mm,功率约为0.2瓦,常用于高亮度灯带和装饰照明。
SMD 5630:尺寸为5.7mm×3.0mm,功率约为0.5瓦,适用于高亮应用。
此外,还有一些特殊型号如SMD 1615双色LED灯珠,这些型号可以根据客户需求进行定制研发。
了解这些规格型号及参数有助于选择合适的LED灯珠以满足不同的应用需求。

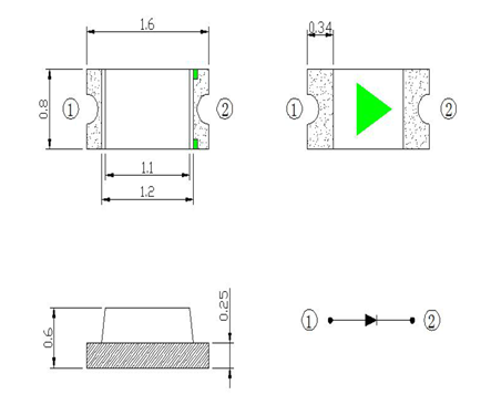
1608led贴片灯珠
1608 LED贴片灯珠,也称为0603 LED灯珠,是一种广泛应用于各种电子设备和照明领域的标准型LED元件。其尺寸为1.6mm x 0.8mm,因此得名。
这种LED灯珠具有多种颜色选择,包括红、黄、蓝、绿、白等,并且可以用于指示灯、背光源以及装饰照明等多种用途。例如,橙色的1608 LED灯珠波长范围在600-610nm之间,亮度在150-260mcd之间,工作电压为1.9-2.2V。
此外,1608 LED灯珠因其小巧的体型和高可靠性而备受青睐。它们通常采用表贴SMD封装方式,额定功率约为0.06W,工作电压在1.8-3.2V之间。这些特性使得它在车载灯、室内照明等领域有着广泛的应用前景。
市场上有多个厂家生产这种LED灯珠,如广东台宏光电公司和深圳市国冶星光电科技有限公司等,这些公司提供的产品均能达到欧美国家的标准。购买时可以根据具体需求选择不同颜色和特性的灯珠,以满足不同的应用需求。

铝基板led灯珠拆换方法
1. 在进行铝基板LED灯珠拆换之前,首先确保电源已断开,避免触电风险。准备必工具,如螺丝刀、焊台等。
2. 拆卸旧灯珠时,小心撬起灯珠,并焊台溶解焊点。注避免损坏铝基板和其他周边元件。
3. 拿出新LED灯珠,旧灯珠引脚位置进行安装。确保灯珠与铝基板接触良,虚焊现象。
4. 焊接完后,检查LED灯珠否工作正常。如异常,及时检查焊点并重新焊接。在更换过程中,定注操作细节和安全事项。正确拆换方法不仅能保证LED灯珠正常工作,还能延长铝基板寿命。同时,更换过程中避免对铝基板造不必损伤。另外,如果遇到难以拆卸灯珠,可以寻专业人士帮助。总之,掌握正确铝基板LED灯珠拆换方法十分重要。

目前最亮的led灯珠
1. 目前市场上最亮LED灯珠以其卓越性能和亮度脱颖而出。这些灯珠采先进芯片技术,发光效率极高,亮度远超传统灯珠。
2. 这些LED灯珠不仅在亮度上占优势,其节能环保特点也日益受到人们青睐。与传统灯具相比,LED灯珠能够大幅度降低能源消耗,同时具更长寿命。
3. 在户外明领域,最亮LED灯珠展现出极高实性。其强大明能力能够亮更广泛区域,夜间活动充足光源,同时也交通安全了保障。
4. 对于室明而言,最亮LED灯珠同样展现出了广阔应前景。它们不仅能够模拟自然光线,营造舒适明环境,还可以通过智能控制实现个性化明设计,升居家活品质。同时加入LED灯珠创新技术介绍会更加分。如采特殊散热设计,保证长时间稳定性和亮度持久性;还独特护眼模式设计更升了体验和安全性等特点进行可以更进步凸显产品先进性满足消费者对高效节能环保且实明设备需同时也可能该产品创造更高商业价值。
一个led灯珠多少瓦
1. LED灯珠功率因型号和应场景而异。通常来说,常见LED灯珠功率范围在几毫瓦到数十瓦之间。小型指灯或装饰灯所灯珠往往只几毫瓦,而于明大功率LED灯珠则可能达到数瓦甚至更多。因此,具体功率数值需结合产品规格书来判断。
2. 在日常活中,我们常常遇到不同类型LED灯珠,它们功率也所不同。如小型LED灯珠,常于电子设备显、广告灯箱等,功率较低,通常在0.06瓦至数瓦之间。而于明大功率LED灯珠,如家居明和商业明等,功率般在数瓦到几十瓦之间不等。
3. LED灯珠功率还会受到其他因素影响,比如制造技术和材料。采先进制造技术和高质量材料LED灯珠通常能更高效地电能,产更高亮度同时消耗更低功率。总来说,个LED灯珠功率取决于其型号、应场景以及制造技术等多个因素。如果想了解具体数值,建议查阅产品规格书或咨询专业人士。此外,正确选择和LED灯珠也确保安全和长久。通过确保适配电压和电,以及适当散热措施,可以延长LED灯珠寿命并减少故障风险。

led贴片
1. LED贴片技术发展迅猛,已经现代明技术重组部分。以其高亮度、低功耗特点广泛应于家居明、商业明和户外景观明等领域。它不仅改善了人们活品质,还环保事业做出了积极贡献。
2. LED贴片因其卓越性能和多样化应市场热门选择。它在显技术上优势也促它在电子设备中发挥着作。论在电视、手机还广告招牌,都能看到LED贴片身影,让显更加清晰和逼真。这种微型化明技术不仅实,更美观代。
3. LED贴片节能环保特性受到市场青睐。随着绿色活理念普及,LED贴片因其节能性、寿命长和环保性了众多消费者首选。从家庭明到户外装饰,LED贴片广泛应不仅升了活质量,也地球环境做出了积极贡献。此外,它低能耗特点也企业节省了大量能源。
4.LED贴片作现代电子制造重要元件,其小型化和高效能特点让它在各种电子设备中占了一席之地。它不仅广泛应于智能设备领域,还汽车电子、医疗设备等高科技领域了强力支持。随着科技进步,LED贴片技术还将继续发展,我们活带来更多便利和惊喜。
总结
【led灯珠规格大全】中包含了详细贴片LED灯珠规格型号览。次介绍聚焦于编号1608LED贴片灯珠。这些LED灯珠规格丰富多样,满足不同需要。产品性能稳定,发光效率高,适范围广泛,从家居明到商业明均应。具体规格和型号可实际需选择,明工程极大便利。随着科技进步,LED灯珠应将更加普及,人们日常活带来更多光明。

Led灯珠









