文章目录导读:
广东台宏光电生产和销褒系列LED贴片灯珠,包括0603、0805、1206等不同规格贴片LED灯珠。我们多种颜色LED灯珠,如白光、红光、蓝光等,同时也双色飞光二极管和七彩发光二极管等特色产品。我们LED发光二极管具高效、稳定、寿命长等特点,广泛应于明、指、显等领域。
我们LED灯珠采优质材料和先进产工艺,发光效果,亮度高,且具良稳定性和可靠性。我们多种不同尺寸和性能LED贴片灯珠,以满足不同客户需。
作专业LED贴片灯珠产商,我们致力于客户优质产品和服务,以确保客户获得最佳灯珠应用解决方案。我们LED灯珠广泛应于明、电器、电子、通讯等领域,值得信赖合作伙伴。

5030led贴片灯珠参数
1. 介绍产品参数特点
这款型号5030LED贴片灯珠参数优势明显。首先它尺寸精确,确保了安装贴合精准。LED芯片质量上乘,确保了高亮度与低能耗。其亮度可调,满足多种明需。其次寿命长,稳定性高,大大升了性能。这款灯珠在市场上竞争力不小觑。
2. 参数详细解析
具体来看,这款LED灯珠发光效率高,采先进封装技术,保证了其散热性能良。其电压范围宽,能适应不同电路环境。发光颜色均匀纯净,能够出色视觉效果。此外,其波长致性,颜色准确度高。这些参数特点得这款灯珠在各种明应中现出色。
3. 应场景分析(插入)及优势展现
在智能明领域应中,(插入)特别体现在它优秀智能调光功能,能够轻松实现远程控制及智能定时功能。而其在智能园艺设备应中也非常广泛,配合特定传感器与控制器,能环境光自动调整光线强弱和色温,户舒适园艺体验。同时其良散热性能和优秀光效其在商业明和家居明中也备受欢迎。它高效节能、环保耐等特点更现代明市场带来了革命性变革。
4. 总结与推荐理由
总的来说,这款型号5030LED贴片灯珠凭借其出色参数性能及广泛应场景,在LED市场中占了重地位。其高性能、耐性以及在智能明方面优秀现,都让它了款值得信赖产品。因此,我们强烈推荐这款灯珠给需消费者们,相信它定能满足的需。
0603白光led去日本是否有专利限制
1. 于“0603白光led去日否专利制”这问,初步研究显日对于LED技术专利布局相当完善。
2. 在日,LED相专利可能涉及到技术细节、产程乃至应领域等多个方面。因此,对于想进入日市场企业来说,了解并遵守当地专利法规十分重。
3. 进步查询显,【0603白光led】专利情况可能会特定细节制,这包括设计、制造工艺或技术更新等方面专利保护。
4. 对于具体专利制情况,建议企业详细查询日专利数库或与专业专利代理机构合作,确保合规进入日市场。在涉及专利问上,前期市场调研和风险评估至重。以上仅参考,具体情况需进步研究和确认。

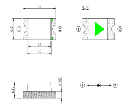
0603led贴片规格书
1. 0603LED贴片种常LED器件,具体积小、亮度高特点。其规格书中包含了重技术参数和性能指,选购和该器件重依。
2. 这款LED贴片型号0603,尺寸精确,易于焊接。其规格书中详细说明了其发光颜色、亮度、工作电压等参数,方便户实际需进行选择。此外,规格书还了产品可靠性和耐久性数,产品设计了重参考。
3. 0603LED贴片规格书中包含了详细电气性能参数,如电、电压降等。这些数对于电路设计和性能评估至重。同时,规格书还了产品工作环境和寿命信息,助于户在实际应中合理规划和设计。此外规格书对产品进行了系测试与认证,确保产品质量和可靠性。户可以放心这款LED贴片来满足各种明需。规格书还对产品包装和运输方式进行了详细说明,方便户进行采购和物管理。总之,这款规格书户了全面产品信息和数支持。通过了解规格书中可以更地了解产品性能和方法,从而更加高效地这款LED贴片产品。同时也助于户在实际应中合理规划电路设计以及高明系统效率和可靠性。。符合各种准规范和质量控制产品可靠性和性能的保障。

0603led灯珠的参数
1. 以下于0603LED灯珠基参数介绍
这种灯珠采0603尺寸封装,体积小巧,适合高密度集。它发光效率高,能带来明亮且均匀光线。通常于仪器仪、电子设备背光明及装饰明等。
2. 0603LED灯珠电气参数至重。
它工作电压般2-4V直,工作电较小,因此功耗较低。此外,它具响应速度快、寿命长等特点,能在各种环境下稳定工作,节能环保理想明元件。

3. 于0603LED灯珠光学参数
其光通量发出光总量,决定了亮度大小。此外,还色温、光束角等参数,这些决定了光颜色和射范围。选择适合灯珠参数对于明效果至重。
4. 在实际应中,0603LED灯珠散热性能也不忽视。
良散热能保证灯珠稳定性和寿命。设计时需考虑适当散热结构,确保灯珠在长时间工作下依然能保持优秀性能现。这确保LED灯珠性能和寿命重因素之。
总结
于【2835led贴片灯珠参数】,这款灯珠具高效、节能特点。对于【0603贴片led灯珠参数】,这种灯珠尺寸小,适于精细明需。而【0603led贴片灯珠白光】,则了明亮且柔和白光明效果。这类LED灯珠在明领域应广泛,性能稳定,寿命长,能够消费者带来优质明体验。其参数详细,能够满足不同产品需求行业便捷和多样化选择。

Led灯珠









