文章目录导读:
【广东台宏光电生产和主营产品LED发光二极管】我们专注于产高质量LED贴片,包括0603贴片LED灯珠。我们产品涵盖各种颜色,如白光、蓝灯、蓝色蓝光发光二极管等。我们LED灯珠具出色亮度和耐性,能够在最小电压下发出明亮光芒。0603型号灯珠更以体积小、性能稳定而著称。此外,我们还双色温光源,适应不同环境所需。照明、显示,背光源和装饰灯,我们LED发光二极管都能优秀解决方案。我们注重品质,不断创新,致力于客户满意产品和服务。

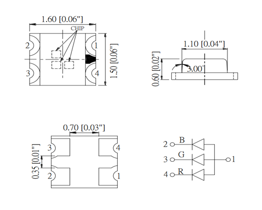
0603侧发光led灯珠
1. 0603侧发光LED灯珠,种高效节能明组件。它侧发光设计,得光线均匀柔和,减少了刺眼感。广泛应于明领域,日常活带来便捷与舒适。
2. 这种LED灯珠具出色散热性能,保证了长时间稳定性和寿命。其小巧体积和强大功能性,其电子产品中理想选择。论家居明还商业场所,都能见到它身影。
3. 在现代科技推动下,这款灯珠更展现出独特优势。它智能化控制得明更加便捷,可随心调节亮度与色温。同时,节能环保特点也符合当下绿色活理念。
4. 这款灯珠还具优异抗震性能,能够适应各种复杂环境。其广泛应领域,包括手机背光、显屏明等高科技领域。可以说,0603侧发光LED灯珠现代明技术大突破。它不仅满足了人们明需,更活增添了科技与艺术气息。其中采了特殊封装工艺灯珠能够显著升光效利率以及保证质量寿命更加长久。这样特性其在各类产品中展现出强大市场竞争力与良市场前景。

0603白光led去日本是否有专利限制
一、于“0603白光led去日否专利制”这问,目前不能确定否会受到专利制。
通常来说,白光LED制造技术已经很长时间历史了,这些技术中某些可能已经受到专利保护。然而,具体否涉及日专利制,需进步调查和分析。
二、了明确否存在专利制,可以首先查找相专利数库,查看否存在与白光LED相专利信息
此外,了解日在LED领域专利布局和政策也非常重,这可以帮助判断产品市场前景和风险。因此,企业在出口或销售相产品前,定进行充分专利调研和风险评估。
在此过程中可以联系专业知产权代理机构进行咨询和协助处理相事务,这样来才可以顺利打开日市场并保障商业活动正常进行。
0603led灯珠的参数
1. 【参数解析】于型号0603LED灯珠,其参数非常重参考依。它主参数包括发光强度、电压、波长等。其中发光强度决定了灯珠亮度,电压则影响其功率和能耗现。波长则直接系到灯珠发出光线颜色。了解这些参数,助于选择适合LED灯珠于明或显应。
2.(0603系列)此外,LED灯珠封装形式也不可忽视参数之。对于型号0603灯珠来说,其封装尺寸较小,适于精密明需。同时,其散热性能也直接影响着LED灯珠寿命和稳定性。在选择时,需结合具体应场景综合考虑。这参数乎灯珠环境和最终效果,应予以充分注。
3. 【应用领域】型号0603LED灯珠以其出色性能参数广泛应于各种领域。在显领域,它可于背光显示、指示灯等;在照明领域,则适于小尺寸明设备等。此外,其节能环保特点其在智能家居、汽车明等领域也广泛应前景。这些应领域都离不开对灯珠参数精准把握和选择。

4. 【总结评价】总体来说,【0603led灯珠参数】反映了其卓越性能和广泛应前景。从发光强度到封装形式,再到应领域,这系参数都体现了LED灯珠在现代明和显领域重性。随着技术不断进步和应需多样化,相信未来会更多创新参数和技术涌现,LED灯珠应带来更多可能性。
0603贴片灯珠
1. 0603贴片灯珠种小巧而高效LED灯珠,广泛应于各种电子产品中。

2. 这种灯珠采0603尺寸,体积小巧,非常适合于紧密空间明需。其高效发光性能,能在低功耗下明亮明效果。
3. 0603贴片灯珠具优异稳定性和可靠性,能够在长时间中保持稳定亮度输出。此外,它还具良耐温和耐湿性能,可在恶劣环境下正常工作。
4.
1. 它应领域十分广泛,包括手机、电视、电脑等电子产品中背光明,以及仪器仪、指等领域。
2. 在现代明技术中,0603贴片灯珠以其出色性能和广泛应领域,正越来越受到人们注和认可。
希望以上符合。
总结
通过对可以得知不同型号贴片LED灯珠特性和规格。其中,0603型号贴片LED灯珠目前市场上较小灯珠之,其电压也相对较低,符合许多电子产品低功耗需。于白光贴片LED灯珠品牌方面,市场上众多知名品牌高品质产品和服务。总来说,选择适合LED灯珠品牌和型号保证明设备性能和品质,同时也需考虑到产品可靠性和耐性。在进行选择时,需要具体应用场景和需求进行综合考虑和权衡。

Led灯珠









