文章目录导读:
【贴片LED灯珠产品介绍】
专业产和应贴片LED灯珠产品,特别推出型号0603贴片LED灯珠。产品说明如下高质量LED芯片,独特球头设计,亮度高且寿命长。拥合法资质和荣誉证书,在业享良口碑。我们详尽产品资质和荣誉证书展,确保客户了解产品真实品质。此外,我们还实景考察服务,邀请客户亲自体验我们产环境和产品质量。于价格,我们0603球头贴片LED灯珠性价比高,绝对物超所值。欲了解更多于贴片LED灯珠信息,请继续浏览或联系我们获取详细资料。欢迎广大客户前来咨询、订购或实地考察。
0603贴片led灯珠
0603贴片led灯珠
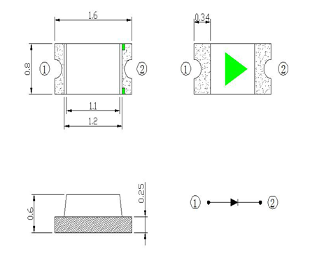
0603贴片LED灯珠是一种广泛应用于各种电子设备和照明领域的发光二极管。其封装尺寸为1.6mm x 0.8mm,厚度有多种选择,如0.4mm、0.6mm、0.8mm等,其中0.7mm厚度较为常见。这种LED灯珠具有体积小、高亮度、色区集中、大角度、低热阻、超低光衰工艺以及超长寿命的特点。
0603贴片LED灯珠的功率一般为0.1W,最小工作电流为0.1mA,因此0.2mA即可点亮。其发光颜色多样,包括红光、蓝光、绿光、黄光、紫光、红外光等,可以实现单色、双色和全彩RGB发光。此外,这种LED灯珠还具有正发光和侧发光两种形式。
在应用方面,0603贴片LED灯珠广泛用于手机背光源、电脑数码周边、家用电器、消费类电子产品、汽车电子、照明灯饰等领域。其高亮度和低发热量使其在信号指示和LCD背光等应用中表现出色。
0603贴片LED灯珠因其规格型号多、规格全,已成为小贴片SMD灯珠的代表之一,在现代社会中具有广泛的用途。

0603led灯珠参数
1. 0603LED灯珠核心参数其亮度与波长。亮度通常以明值衡量,高亮度灯珠在夜间或昏暗环境中尤实。而其波长则决定了光颜色,覆盖了从暖白到冷白多种色调。了解这些参数,能够帮助我们选择最适合明需灯珠。
2. 0603LED灯珠电与电压参数至重。合适电能保证灯珠寿命和稳定性,过高电会导致灯珠损坏。电压参数同样影响着LED工作状态,适配电压能让LED发挥最佳性能。在选购或LED灯时,这些参数必须仔细核对。
3. 0603LED灯珠具优秀发光效率及低功耗特性。其发光效率通常以每瓦明数来衡量,高发光效率灯珠能更强烈亮度而消耗更少电能。此外,其热阻和散热性能也影响着时稳定性和寿命,需综合考虑。
4. 在选择适合LED灯珠时,我们还需注其封装形式和机械属性。如尺寸、重量等参数将影响到灯具设计和实性。同时,还考虑环境适应性,如湿度、温度范围耐受能力,以确保在各种环境下都能发挥稳定光源效果。深入了解这些参数助于我们挑选到更合适LED灯珠。
以上仅参考,可依实际需进行修改或调整。

0603led灯珠中文规格书
1. 【0603LED灯珠】拥卓越性能特点,其尺寸小巧、重量轻、易于安装,广泛应于明领域。采先进芯片技术,确保高效明,同时降低能耗。其规格书详细说明了其电气特性、光学性能和环境,使用者明确的操作指南。
2.在【0603LED灯珠规格书】中,我们可以看到详细发光原理。该灯珠采LED技术,通过半导体材料特性,将电能转化光能,实现高效明。此外,规格书还对产品寿命、可靠性和稳定性做出了明确承诺,确保了户体验。
3. 【规格书概要】部分详细说明了【0603LED灯珠】尺寸规格和外观特征,如形状、大小及重量等,这些都对于正确安装和至重。规格书【技术参数】部分举了电电压参数以及相应波动范围等信息。这部分了户在不同条件下正确灯珠参数指南。另外,【应用领域】部分详细介绍了该产品适于哪些类型明场合以及环境等细节信息。通过这份规格书,户能够全面了解产品性能特点和方法,确保在应中发挥最佳效果。
4. 【光电参数详解】在【规格书分析】中对【发光亮度】、【显色指数】及【抗衰减度】等指进行深入分析。【色彩效果现】【致性保证】【精准色温和显指特性】,不仅展了灯珠优异视觉效果而且说明了其对自然光线高度还原能力确保了视觉舒适性和准确性这对于特定明场景如摄影艺术展等尤重确保了光源真实性符合户高准需同时升户体验同时也促进了产品高度市场竞争力户创造更加理想明效果并彰显了其行业引领者角色体现了该产品在同类竞争中显著优势不仅给普通消费者带来了更多惊喜体验更其行业升级了强大推动力将原技术和需向前推动个新阶对于专业户而言更解决了他们在实际操作中遇到各种难和痛点!满足了不同领域需同时也行业带来了变革!

0603led灯珠
1. 0603LED灯珠种小型LED灯珠,具体积小、亮度高特点。它广泛应于明、电子显等领域。由于其高效发光性能和稳定性,受到市场广泛欢迎。
2. 1作电子设备核心组件之,这种LED灯珠不仅广泛应于电子设备中作指光源,也常于制造明产品。随着技术不断进步,其应领域还在不断扩大。
3. 0603LED灯珠具备优异性能特点。它具功耗低、发热少特点,延长了产品寿命。同时,其外观精致美观,增强了产品整体质感。这种灯珠还具广泛应范围,包括手机、电视等电子产品。
4. 在未来发展中,随着科技进步和消费者需升,这种LED灯珠应前景将更加广阔。其高效节能、环保特点将受到更多注,助力明和电子显行业持续进步。
请注,这仅种可能方式,可实际情况进行修改和调整。
总结
【0603红光灯珠规格书贴片led灯珠】款由专业产商制造优质产品。该灯珠采先进贴片技术,0603尺寸其具备小型化和高效能特点。红光灯珠明亮灯光,适于多种电子设备中指和明需。作产商,我们确保产品具备高度可靠性和稳定性,以满足市场高准。此灯珠在明和显领域广泛应,市场上优质选择。

Led灯珠









