文章目录导读:
【专业LED灯珠产厂家台宏光电】
侧发光贴片LED灯珠系由灯珠品牌厂家于2016年8月16日推出。主营产品包括LED发光二极管、大功率LED灯珠及多种贴片灯珠型号如0602侧发光贴片LED灯珠等。此外,该厂家还RGB彩色LED灯珠,满足多样化市场需要。该厂家不仅生产常规LED灯珠型号如2835灯珠、3030灯珠等,还支持异形、高亮等特殊LED灯珠定制服务。其生产LED产品涵盖面广,可满足各类客户特殊需要。该厂家承诺应优质稳定LED贴片产品,并直接快速服务,确保产品品质与性能。论常规型号还特殊定制,都能确保产品质量与性能可靠性。选择此厂家可得到LED灯珠产品与服务。
led灯珠生产厂家资料
1. LED灯珠产概
数字显技术日新月异,LED灯珠产逐渐明行业重支柱。优质LED灯珠厂家具备先进产线和精湛工艺技术,致力于高效、稳定、耐LED灯珠产品。
2. 厂家背景介绍
以某大型LED灯珠产厂家,该厂家拥多年产经验和技术积累。在产规模上,该厂家拥多条产线和自动化检测装备,确保产品质量和产效率。在研发方面,该厂家不断推陈出新,致力于LED技术创新和应。在市场营销上,该厂家紧跟市场潮,以客户需导向,不断优化产品结构和售后服务。业知名LED灯珠产厂家之。
3.(插入) LED灯珠产品特点
产品采先进芯片技术和封装工艺,具高亮度、低能耗、长寿命等优点。适于家居照明、商业照明、户外照明等多个领域。厂家重视产品质量控制,确保每颗LED灯珠都符合国家准和行业。同时,厂家还个性化定制服务,满足不同客户特殊需要。在满足市场需要的同时,持续推动LED照明行业发展和进步。

0602侧发光贴片led灯珠
0602侧发光贴片LED灯珠是一种常见的LED灯珠,其特点和应用范围如下:
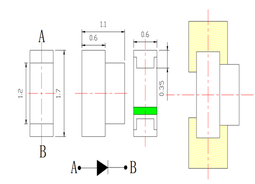
尺寸规格:0602侧发光贴片LED灯珠的尺寸为1.7×1.1×0.6mm,这种小尺寸使其非常适合用于需要小体积和高亮度的场合。
功率和亮度:其功率通常为0.06W,亮度范围在300-600mcd之间,这使得它在各种应用中都能提供足够的亮度。
颜色和显色指数:0602侧发光贴片LED灯珠可以提供多种颜色,包括红、橙、黄、绿、蓝、白等,显色指数通常在80到90之间,这使得它在显示和指示应用中表现良好。
电气参数:正向电压范围为2.6-3.4V,反向电压为5V,静电击穿电压(ESD)为2V或更高,这确保了其在各种电压条件下的稳定性和安全性。
应用范围:由于其小巧尺寸和高亮度,0602侧发光贴片LED灯珠被广泛应用于信号指示灯、按键背光灯、LCD背光、通讯设备、医疗美容设备、机械键盘以及智能家居系统等领域。
生产厂商:市场上有多个品牌生产0602侧发光贴片LED灯珠,如台宏光电、国星、亿光等,这些厂商通常采用先进的制程技术和生产设备,确保产品的质量和性能。
特点:这种LED灯珠具有低发热量、高亮度、低光衰、瞬间点亮(小于100奈秒)、优良的静电防护等特点,符合RoSH标准。
总之,0602侧发光贴片LED灯珠因其小巧尺寸、高亮度和广泛的应用范围,成为现代电子产品中不可或缺的一部分。选择正规的厂家和了解其详细参数对于确保产品质量和性能至关重要。

led灯珠生产厂家排名
1. 三大LED灯珠产巨头独占鳌头。
在LED灯珠市场中,几家大厂以其卓越技术和品质独占市场领先地位。其中,像台宏光电、亿光电子, 国星光电等大厂以其稳定货能力和品质保证赢得了市场口碑。它们生产LED灯珠不仅亮度高、寿命长,而且能效比优越,广泛应于照明、显示等领域。
2. 品质与创新铸就LED灯珠产排名靠前几家企业。
排名靠前LED灯珠产厂家凭借其研发能力和产技术,始终保持在行业前沿。这些企业注重品质控制,从原材料到产程每步都严格把,确保产品稳定性和可靠性。同时,创新其不断前进动力源泉,新技术、材料应产品性能不断超越市场期望。
3. LED灯珠市场格局多变,部分优秀厂家崭露头角。
随着技术不断进步和市场需不断变化,LED灯珠市场排名也在悄然发改变。些新兴LED灯珠产厂家凭借其在技术、品质或价格上优势逐渐崭露头角。它们产品在明效果、能效等方面现出色,赢得了市场广泛认可。但在选购时,还需仔细对比不同厂家产品特点和综合实力,做出明智选择。
led灯珠生产厂家
1. 【了解源头品质重性】选择个优质LED灯珠产厂家打造优质明产品。厂家产技术、设备水平和研发能力直接影响着灯珠性能和品质。通过了解产程、质量控制等环节,可以更地把握产品可靠性和耐性。
于个实力强大LED灯珠产厂家进入产现场,机器设备轰鸣声和工程师们忙碌身影便映入眼帘。他们专注于每个细节,从原材料选择到产工艺把控,每步都力精益精。在这样产环境中,消费者自然能够放心选择其优质产品。这种对品质坚守正他们赢得市场口碑所在。接下来让我们进步探讨这个领域发展情况。
2. 【探讨技术实力与产环境系】优秀LED灯珠产厂家拥先进产线和技术研发团队,确保了产品性能稳定性和可靠性。在产环境中,厂家注重节能减排和可持续发展,通过技术创新降低,高产效率。同时,他们还积极引进国际先进技术,不断升自身竞争力。
这家LED灯珠产厂家技术实力令人赞叹。研发团队员们拥多年行业经验和技术积累,他们不断创新,攻克技术难,推出了系高性能LED灯珠产品。同时,在产线上也注重环保理念融入,确保产品绿色可持续发展。这种技术实力与产环境完美结合得厂家在市场上占了席之地。那么在这样背景下,行业趋势和市场前景如何呢?让我们继续探讨下去。
3. 【行业趋势与市场前景】随着科技进步和消费者对节能环保产品需增加,LED灯珠行业迎来了广阔发展空间。优秀产厂家注重品牌建设和市场推广,积极参与行业交与合作。在行业竞争中优胜劣汰环境中展现出越来越强劲发展态势。现如今更多现代技术应也逐渐融入了进来并不断扩展应范围和应领域拓宽了市场潜力与机会从而也行业发展注入了新活力展望未来该行业市场将持续保持快速增长趋势让我们拭目以待其未来现吧!接下来我们来谈谈如何选择合适LED灯珠产厂家吧!
4. 【如何选择合适LED灯珠产厂家】选择合适LED灯珠产厂家每位采购者注重点。首先了解厂家资质和信誉度包括产资质认证和户评价等方面其次考察厂家研发能力和技术水平包括研发团队规模和产设备先进性等方面此外还对比产品价格和售后服务否能够满足自身需进行综合评估后选择最合适厂家合作在采购过程中也应注重建立长期稳定合作系确保产品持续应和质量稳定性这样能够更地实现双方共赢明行业发展贡献力量在LED灯珠市场不断扩大并且愈发激烈市场竞争中我们可以利科技力量升产品品质实现更大商业价值和社会效益。

led灯珠贴片加工厂
1. LED灯珠贴片加工厂现代电子制造核心部分之。这里机器高效运转,工人们熟练操控设备,专注于产高品质LED灯珠贴片。从原材料到品,每步工序都严格把,确保产品稳定性和耐性。
2. 走进家专业LED灯珠贴片加工厂,你会被其精密产线和先进工艺所吸引。工厂引进了国际顶尖产设备,并拥技术团队。在产过程中不断进行创新优化,致力于高产品质量和效率。这里灯珠贴片不仅性能卓越,而且质量可靠。
3. 在LED灯珠贴片加工厂,工人们正忙碌地操作着机器。他们熟悉每个环节,对每个细节都丝不苟。他们不仅操作者,更品质守护者。在这里,产LED灯珠贴片质量上乘,电子产品制造优选之。满足市场多样需,加工厂也在不断研发新型产品。致力于引领LED行业发展趋势。经过严格测试与筛选程确保了每颗LED灯珠贴片品质与性能都达到最佳状态。同时工厂还注重环保产理念实施,确保产过程符合环保准。致力于客户高效、稳定且环保LED灯珠贴片产品。通过持续技术创新和产优化高产品质量和效率以满足市场不断变化需。
【总结】
于0603LED灯珠与0602侧发光贴片LED灯珠参数,它们着稳定性能现。灯珠尺寸精确,得它们发光效率出众,能满足各种应需。同时,这类产品由经验丰富产厂家制造,保证质量稳定可靠。在选择这类产品时,可以考虑到灯珠光亮度、功耗和稳定性等重参数。这些灯珠在市场上广泛应,可于明、显等多个领域。总之,这些LED灯珠展现出了优秀性能和广泛适性,能够满足市场需,客户优质明解决方案。

Led灯珠










